ZHSL系列复合式多功能滤油机、板框真空式滤油机、多功能润滑油过滤设备、重庆滤油机、净油机、多功能真空滤油机、滤油机厂家、真空板框一体式净油机、板框真空复合式滤油机、油过滤设备
高精度液压油专用真空滤油机/板框真空式滤油机/多功能润滑油过滤设备主体材质:高碳钢、不锈钢材质(需客户定制说明)
高精度液压油专用真空滤油机/板框真空式滤油机/多功能润滑油过滤设备适用的油品:透平油、冷冻机油、液压油、润滑油、汽轮机透平油、注塑机油、抗磨液压油、轻质机油、变压器油、压缩机油、绝缘油、互感器油、热处理油、轧制油、中负荷齿轮油、淬火油
高精度液压油专用真空滤油机/板框真空式滤油机/多功能润滑油过滤设备用途:
高精度液压油专用真空滤油机/板框真空式滤油机/多功能润滑油过滤设备广泛适用于机械制造、冶金、矿山、石油、化工、电力、交通、橡塑、仪表、铁路、精密压铸等多种行业使用过的变压器油、机械油、液压油、压缩机油、冷冻机油、热处理油、轧制油、中负荷齿轮油、淬火油等不合格润滑油品的净化处理。通过对真空分离系统和杂质过滤系统的特殊设计,能快速除去油中的水分、气体、杂质。提高油液品质、改善润滑油粘度、闪点及使用性能。高中低粘度的油品对介质油液的多方位的净化处理(保证不需要任何添加剂),能使机械液压系统及润滑系统的正常运行。
高精度液压油专用真空滤油机/板框真空式滤油机/多功能润滑油过滤设备特点:
⊙ 采用精密滤芯,滤除杂质能力强,大面积、深层次的精密滤材可除去油中的细微颗粒,同时配有强磁过滤滤芯以滤除含铁类的细微杂质。
⊙ 组合式滤油机融合了真空滤油机与板框滤油机的优点于一体,二者即能配合运行,又能分开独立运行。能够处理含杂质较多的润滑油,显著效果,成本低廉。
⊙ 该机破乳化能力强,独特的脱气、脱水系统,采用国内外优质环形三维立体闪蒸技术,多层次油水分离技术,迅速分离油 中的大量水分,也能脱出油中的微量水分和气体。
⊙ 优质的介质吸热冷凝系统、自动分离冷凝水装置、自动恒温控制、光电红外线自动液位控制、自动消泡控制、自动超压力停机保护 、反冲洗功能及精良的配置。保证设备高性能运行,操作简单、安全、可靠。
⊙ 使用红外线液位控制,彻底避免了跑油现象,可完全实现无人值守的在线滤油,运行状态由指示灯显示。
⊙ 采用国内外优质的ROBO电磁感应加热器系统,确保加热均匀,油温稳定,无“死油区”、油温稳定。采用多组加热,能根据即时油温自动控制加热功率投入量,设备更节能。
⊙ 本机连锁安全保护,进油与加热系统连锁,避免误操作带来的不利影响,该机处理周期短、效率高,能快速脱除油液中的水分、气体、杂质及挥发物(如酒精、汽油、氨气等)。
⊙ 对含有大量的油泥、各种金属微粒、碳粒、煤灰、砂子及各种悬浮物的净化处理,效果明显。
⊙ 选用耐腐蚀、耐高温、机械强度高的优质过滤原件和连接密封材料,真空泵和输油泵采用优质国内外知名名牌,并对密封作专业技术处理,无泄漏、运行噪音低,使用寿命长。
⊙ 根据客户使用现场环境,可选配ExdIIBT4级“或” ExdIICT4级防爆和制作成固定式、全封闭式、半封闭式、遮檐式、拖车式。
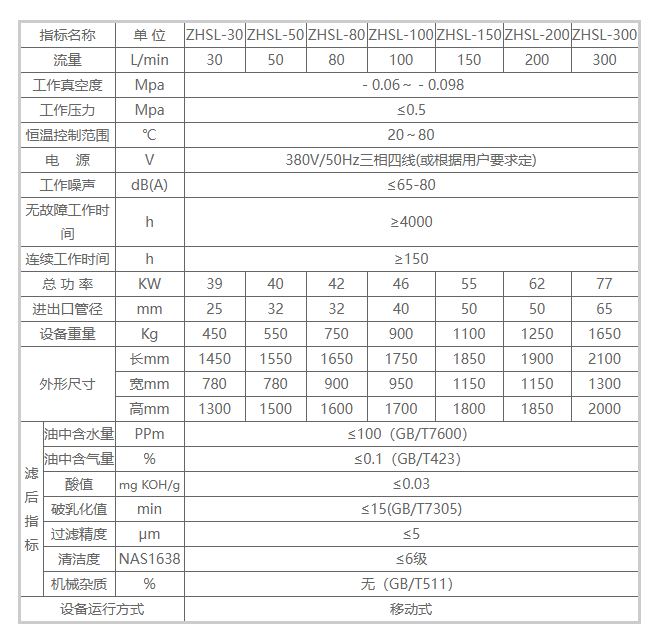
高精度液压油专用真空滤油机/板框真空式滤油机/多功能润滑油过滤设备技术参数:

注意:设备外形尺寸和设备重量随着技术参数的改变而改变,不断发展以实物为主。
